logo

รายละเอียดสินค้า

Created with Pixso. บ้าน Created with Pixso. ผลิตภัณฑ์ Created with Pixso.
อุปกรณ์ป้องกันแรงดันไฟฟ้าต่ำ
Created with Pixso.

ตัวควบคุม PLC อีเธอร์เน็ต IC693CMM321, โมดูลอีเธอร์เน็ต I/O ซีรีส์ 90-30 4 ช่อง

ตัวควบคุม PLC อีเธอร์เน็ต IC693CMM321, โมดูลอีเธอร์เน็ต I/O ซีรีส์ 90-30 4 ช่อง

ชื่อแบรนด์: GE
เลขรุ่น: IC693CMM321
ขั้นต่ำ: 1
ราคา: สามารถต่อรองได้
เงื่อนไขการจ่ายเงิน: L/C, D/A, D/P, T/T, Western Union, MoneyGram
ความสามารถในการจําหน่าย: In Stock
ข้อมูลรายละเอียด
Place of Origin:
USA
ได้รับการรับรอง:
CE
Packaging Details:
New Original Box
Supply Ability:
In Stock
เน้น:

โมดูลอีเธอร์เน็ต 4 ช่องสัญญาณ 90-30

,

โมดูลอีเธอร์เน็ต ซีรีส์ 90-30

,

โมดูลอีเธอร์เน็ต IC693CMM321

คําอธิบายสินค้า
คำอธิบายผลิตภัณฑ์โดยละเอียด
ยี่ห้อ: GE รุ่น: IC693CMM321
แหล่งกำเนิดสินค้า: สหรัฐอเมริกา ชื่อผลิตภัณฑ์: โมดูลอินเทอร์เฟซอีเธอร์เน็ต
ซีรีส์: 90-30 น้ำหนัก: 1 ปอนด์
แรงดันไฟกระเพื่อม: 10% การตอบสนองตัวกรองอินพุต: 29 Hz
ไฮไลท์:

ตัวควบคุมโปรแกรมได้ทางอุตสาหกรรม

,

ตัวควบคุม plc อีเธอร์เน็ต

 

 

PLC Programmable Logic Controller IC693CMM321 GE FANUC SERIES 90-30 โมดูลอินเทอร์เฟซอีเธอร์เน็ต

 

 

 

 

โมดูลอินพุต/เอาต์พุตแบบผสมกระแส/แรงดันไฟฟ้าแบบอะนาล็อกมีช่องสัญญาณกระแสหรือแรงดันไฟฟ้าอินพุตแบบดิฟเฟอเรนเชียลสูงสุด 4 ช่องและช่องสัญญาณเอาต์พุตแบบปลายเดี่ยว 2 ช่องพร้อมเอาต์พุตลูปกระแสหรือเอาต์พุตแรงดันไฟฟ้า แต่ละช่องสามารถกำหนดค่าแยกกันสำหรับช่วงกระแสหรือแรงดันไฟฟ้าตามความเหมาะสมที่จำเป็นสำหรับการใช้งานของคุณ การกำหนดค่าโมดูลทั้งหมดทำผ่านซอฟต์แวร์ ยกเว้นจัมเปอร์ที่จำเป็นสำหรับการเลือกโหมดอินพุตกระแสไฟฟ้า ช่วงทั้งหมดสามารถกำหนดค่าได้โดยใช้ฟังก์ชันตัวกำหนดค่าซอฟต์แวร์การเขียนโปรแกรม Logicmaster 90-30/20/Micro หรือโปรแกรมเมอร์แบบมือถือ Series 90-30

 

โปรดทราบว่าในคำอธิบายของโมดูลนี้ โมดูลจะถูกอ้างถึงง่ายๆ ว่าเป็นโมดูล Analog Combo

 

อินพุตอะนาล็อกแต่ละตัวสามารถให้ช่วงอินพุตได้ห้าช่วง (แรงดันไฟฟ้าสองช่วงและกระแสสามช่วง) ซึ่งได้แก่:

  • 0 ถึง +10 โวลต์ (ขั้วเดียว) - ช่วงเริ่มต้นสำหรับทั้งช่องสัญญาณอินพุตและเอาต์พุต
  • –10 ถึง +10 โวลต์ (สองขั้ว)
  • 0 ถึง 20 mA 4 ถึง 20 mA
  • 4 ถึง 20 mA Enhanced

 

ช่วงอินพุตเริ่มต้นคือโหมดแรงดันไฟฟ้า 0 ถึง +10 โวลต์ (ขั้วเดียว) โดยข้อมูลผู้ใช้ปรับขนาดเพื่อให้ 0V สอดคล้องกับจำนวน 0 และ 10V สอดคล้องกับจำนวน 32767

 

เอาต์พุตอะนาล็อกแต่ละตัวสามารถให้ช่วงเอาต์พุตได้สี่ช่วง (แรงดันไฟฟ้าสองช่วงและกระแสสองช่วง):

  • 0 ถึง +10 โวลต์ (ขั้วเดียว) - ช่วงเริ่มต้นสำหรับทั้งช่องสัญญาณอินพุตและเอาต์พุต
  • –10 ถึง +10 โวลต์ (สองขั้ว)
  • 0 ถึง 20 มิลลิแอมป์
  • 4 ถึง 20 มิลลิแอมป์

 

 

 

รายละเอียดโดยย่อ

  1. ยี่ห้อ :GE
  2. รุ่น :IC693CMM321
  3. แหล่งกำเนิดสินค้า : สหรัฐอเมริกา

 

คำอธิบาย

เอาต์พุตสามารถกำหนดค่าให้ Hold Last State หรือรีเซ็ตเป็นจุดต่ำสุดของช่วงหากไฟของระบบถูกขัดจังหวะ เอาต์พุตยังสามารถกำหนดค่าให้ทำงานในโหมด ramp ตามคำสั่งจากโปรแกรมประยุกต์ ในโหมด ramp ช่องสัญญาณเอาต์พุตจะเปลี่ยนเป็นค่าใหม่ในช่วงเวลาหนึ่ง แทนที่จะใช้ค่าใหม่ทันที สามารถตั้งค่าขีดจำกัดการเตือนภัยสูงและต่ำสำหรับช่องสัญญาณอินพุตทั้งหมด และสามารถรายงานข้อผิดพลาดแบบเปิดสาย (โหมดเอาต์พุตกระแส) ไปยัง CPU สำหรับแต่ละช่องสัญญาณเอาต์พุต โมดูล ALG442 ในแร็ค RX3i รองรับการอัปเกรดเฟิร์มแวร์ในภาคสนาม

 

 

ข้อมูลจำเพาะ

จำนวนช่องสัญญาณอินพุต: 4 ดิฟเฟอเรนเชียล
ช่วงอินพุต: 0 ถึง 20 mA / 4 ถึง 20 mA / 4 ถึง 20 mA Enhanced
ความละเอียด 0 ถึง +10V: 2.5 mV (1 LSB = 2.5 mV)
ความละเอียด -10 ถึง +10V: 5 mV (1 LSB = 5 mV)
การตอบสนองตัวกรองอินพุต: 29 Hz
การใช้กระแสไฟฟ้าจากแหล่งจ่ายไฟ +5V ภายใน: 95 mA
การใช้กระแสไฟฟ้าจากแหล่งจ่ายไฟผู้ใช้ภายนอก: 129 mA
ประเภทอุปกรณ์: อินพุต / เอาต์พุตอะนาล็อก, กระแส / แรงดันไฟฟ้า
ช่วงแรงดันไฟฟ้าของแหล่งจ่ายภายนอก: 20 ถึง 30 VDC (24 VDC ทั่วไป)
แรงดันไฟกระเพื่อม: 10%
การใช้พลังงาน: 95 mA จากภายใน +5 VDC, 150 mA จากภายนอก +24 VDC supply
อัตราการอัปเดต: อัตราการอัปเดต: 3 ms
การแยก, ฟิลด์ไปยังแบ็คเพลนและไปยังกราวด์เฟรม: 250 VAC ต่อเนื่อง; 1500 VAC เป็นเวลา 1 นาที
เอาต์พุตอะนาล็อก: สอง, Single?Ended
ช่วงเอาต์พุต: 0 ถึง 20 mA, 4 ถึง 20 mA
ความจุโหลดเอาต์พุต: 2000 pF (สูงสุด)
การเหนี่ยวนำโหลดเอาต์พุต: 1 H (สูงสุด)

 

 

โมดูลอินพุต/เอาต์พุตแบบผสมกระแส/แรงดันไฟฟ้าแบบอะนาล็อกมีช่องสัญญาณกระแสหรือแรงดันไฟฟ้าอินพุตแบบดิฟเฟอเรนเชียลสูงสุด 4 ช่องและช่องสัญญาณเอาต์พุตแบบปลายเดี่ยว 2 ช่องพร้อมเอาต์พุตลูปกระแสหรือเอาต์พุตแรงดันไฟฟ้า แต่ละช่องสามารถกำหนดค่าแยกกันสำหรับช่วงกระแสหรือแรงดันไฟฟ้าตามความเหมาะสมที่จำเป็นสำหรับการใช้งานของคุณ การกำหนดค่าโมดูลทั้งหมดทำผ่านซอฟต์แวร์ ยกเว้นจัมเปอร์ที่จำเป็นสำหรับการเลือกโหมดอินพุตกระแสไฟฟ้า ช่วงทั้งหมดสามารถกำหนดค่าได้โดยใช้ฟังก์ชันตัวกำหนดค่าซอฟต์แวร์การเขียนโปรแกรม Logicmaster 90-30/20/Micro หรือโปรแกรมเมอร์แบบมือถือ Series 90-30

 

โปรดทราบว่าในคำอธิบายของโมดูลนี้ โมดูลจะถูกอ้างถึงง่ายๆ ว่าเป็นโมดูล Analog Combo

 

อินพุตอะนาล็อกแต่ละตัวสามารถให้ช่วงอินพุตได้ห้าช่วง (แรงดันไฟฟ้าสองช่วงและกระแสสามช่วง) ซึ่งได้แก่:

  • 0 ถึง +10 โวลต์ (ขั้วเดียว) - ช่วงเริ่มต้นสำหรับทั้งช่องสัญญาณอินพุตและเอาต์พุต
  • –10 ถึง +10 โวลต์ (สองขั้ว)
  • 0 ถึง 20 mA 4 ถึง 20 mA
  • 4 ถึง 20 mA Enhanced

 

ช่วงอินพุตเริ่มต้นคือโหมดแรงดันไฟฟ้า 0 ถึง +10 โวลต์ (ขั้วเดียว) โดยข้อมูลผู้ใช้ปรับขนาดเพื่อให้ 0V สอดคล้องกับจำนวน 0 และ 10V สอดคล้องกับจำนวน 32767

 

เอาต์พุตอะนาล็อกแต่ละตัวสามารถให้ช่วงเอาต์พุตได้สี่ช่วง (แรงดันไฟฟ้าสองช่วงและกระแสสองช่วง):

  • 0 ถึง +10 โวลต์ (ขั้วเดียว) - ช่วงเริ่มต้นสำหรับทั้งช่องสัญญาณอินพุตและเอาต์พุต
  • –10 ถึง +10 โวลต์ (สองขั้ว)
  • 0 ถึง 20 มิลลิแอมป์
  • 4 ถึง 20 มิลลิแอมป์
 
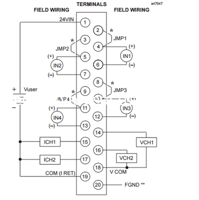
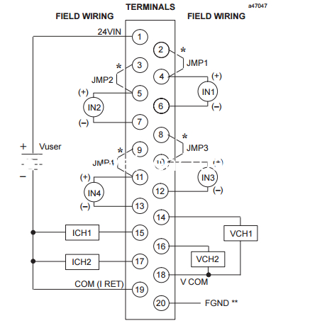
แผนผังการเดินสายภาคสนามของโมดูล Analog Combo IC693ALG442
 
ตัวควบคุม PLC อีเธอร์เน็ต IC693CMM321, โมดูลอีเธอร์เน็ต I/O ซีรีส์ 90-30 4 ช่อง 0
 
ผลิตภัณฑ์ที่คล้ายกัน
IC693CMM321A IC693CMM321B IC693CMM321C
IC693CMM321D IC693CMM321E IC693CMM321F
IC693CMM321G IC693CMM321H IC693CMM321J
IC693CMM321J IC693CMM321K IC693CMM321L
IC693CMM321M IC693CMM321N IC693CMM321O
IC693CMM321P IC693CMM321Q IC693CMM321R
IC693CMM321S IC693CMM321T IC693CMM321U
IC693CMM321V IC693CMM321W IC693CMM321X
IC693CMM321Y IC693CMM321Z

 

 

ตัวควบคุม PLC อีเธอร์เน็ต IC693CMM321, โมดูลอีเธอร์เน็ต I/O ซีรีส์ 90-30 4 ช่อง 1

 


ผลิตภัณฑ์ที่เหนือกว่าอื่นๆ

Yasakawa Motor, Driver SG- Mitsubishi Motor HC-,HA-
Westinghouse Modules 1C-,5X- Emerson VE-,KJ-
Honeywell TC-,TK- Fanuc motor A0-
Rosemount transmitter 3051- Yokogawa transmitter EJA-
 
 

 

 
 

 

 

 
 
สินค้าที่เกี่ยวข้อง